Thành Cổ Loa được An Dương Vương xây dựng vào những năm đầu của Nhà nước Âu Lạc và là Kinh đô nước Âu Lạc (tồn tại từ năm 208 TCN đến năm 179 TCN).
Thành Cổ Loa được xây dựng với quy mô lớn, là minh chứng về trình độ kỹ thuật quân sự cao của nền văn minh Việt cổ.
Việc xây thành Cổ Loa không những gắn với xu thế phát triển của đất nước mà còn gắn với yêu cầu giữ nước, đó là sự kết hợp của
Kinh thành với Quân thành và Thị thành.
Ảnh thành Cổ Loa và mật độ, tình hình phân bố các di tích Khảo cổ học, di tích Lịch sử-Văn hóa trong và ngoài thành
Cổ Loa – Kinh thành
Năm 208 TCN, Thục Phán - thủ lĩnh của người Việt đã hợp nhất hai bộ lạc Tây Âu và Lạc Việt, lên ngôi, lấy hiệu là An Dương Vương,
chọn Cổ Loa làm kinh đô của nước Âu Lạc.
Tượng An Dương Vương (1897) - Bảo vật quốc gia
Nguồn: BQL KDT Cổ Loa
Bà Chúa Mỵ Châu
Nguồn: BQL KDT Cổ Loa
Tượng tướng quân Cao Lỗ tại điếm xóm Chùa - Cổ Loa
Nguồn: BQL KDT Cổ Loa
Thần Kim Quy
Nguồn: BQL KDT Cổ Loa
Thành Cổ Loa có kết cấu “tam trùng thành quách”, trong đó thành Nội là nơi ở của vua và hoàng gia, thành Trung là các quan văn võ, quân đội ở; thành Ngoại dân chúng ở.
Các vật liệu kiến trúc phát hiện được trong khu vực thành Nội (di tích đền Thượng) cho phép hình dung các quy mô kiến trúc lớn
dạng cung điện, lầu gác của triều đình đã được xây dựng.
Nguồn: Lại Văn Tới
Cổ Loa – Quân thành
Thành Cổ Loa có quy mô, cấu trúc lớn đồ sộ, với ba vòng khép kín, chu vi lên tới 16.000m.
Thành Nội hình chữ nhật, thành Trung và thành Ngoại là đường cong khép kín uốn lượn theo thế đất tự nhiên.
Tường thành phía ngoài thẳng đứng, mặt trong dốc thoải. Trên 3 vòng thành có các ụ đất nhô ra ngoài gọi là “Hỏa hồi”.
Hình dáng ba vòng thành Cổ Loa với lũy cao- hào sâu, kiên cố và vững chắc
Nguồn: Lại Văn Tới
Tường thành Nội hình chữ nhật, chu vi khoảng 1.600m, được xây dựng theo bốn hướng chính: Nam, Bắc, Tây, Đông, nhưng chỉ mở cửa
ở chính giữa tường thành phía Nam nhằm quản lý chặt chẽ sự ra vào.
Khai quật ụ hỏa hồi thành Nội năm 2014
Nguồn: Viện Khảo cổ
Tường thành Nội hình chữ nhật, chu vi khoảng 1.600m, được xây dựng theo bốn hướng chính: Nam, Bắc, Tây, Đông, nhưng chỉ mở cửa
ở chính giữa tường thành phía Nam nhằm quản lý chặt chẽ sự ra vào.
Khai quật thành và hào Thành Trung năm 2007
Nguồn: Viện Khảo cổ
Tường Thành Ngoại là một vòng tường khép kín, chu vi khoảng 8.000m, lần theo những
gò đống tự nhiên, nên không có hình dáng rõ ràng. Vòng thành Ngoại mở bốn cửa, trong đó cửa Nam chung với thành Trung.
Mặt cắt vách Đông Thành Ngoại năm 2012
Nguồn: Viện Khảo cổ
Hệ thống Cửa thành
Thành Ngoại và thành Trung đều mở 5 cửa, trong đó có một cửa chung ở phía nam, gọi là Trấn Nam Môn,
hay Cửa Nam. Vòng thành Nội mở một cửa, hiện nay không còn, chỉ được biết qua truyền thuyết rằng cửa mở ở phía nam,
thẳng cửa đình Cổ Loa. Hai bên cửa của các vòng thành đều dựng miếu để thờ thần và
thờ các tướng lĩnh triều đình Âu Lạc (ngày nay còn 5 miếu cửa thành).
Miếu cửa Nam thành Trung và thành Ngoại năm 1988
Nguồn: Nguyễn Văn Kự
Hệ thống Hào nước
Cả ba vòng tường thành đều có hào nước bên ngoài, nối thông với sông Hoàng Giang,
hệ thống Đầm Cả - Vườn thuyền, Ao Mắm tạo thành một “quân trấn”, có thể chứa hàng trăm chiến thuyền.
Việc tạo dựng hệ thống hào nước bao quanh ba vòng thành, An Dương Vương đã biến Cổ Loa thành một thành trì
quân sự vững chắc để chiến đấu chống giặc ngoại xâm.
Hào thành Trung
Nguồn: BQL KDT Cổ Loa
Ngoài ra, tương truyền còn có 72 gò đống và nhiều đoạn sông, lạch nước được lợi dụng và kết nối vào hệ thống lũy - hào Cổ Loa.
Tiêu biểu là các địa danh như gò Cột Cờ, gò Đông Bắn, gò Đống Chuông, Ngự Xạ Đài, Vườn thuyền - Ao Mắm… vẫn còn cho đến ngày nay.
Gò Đống Chuông
Nguồn: Nguyễn Thơ Đình
Gò Đống Dân
Nguồn: Nguyễn Thơ Đình
Thành Cổ Loa được xây dựng công phu, ba vòng tường thành cao, hào nước sâu, chân thành được kè đá, vững chãi, trong thân thành có dải những
lớp gốm dày mỏng khác nhau để chống sụt lở và xói mòn. Khoảng giữa các vòng thành và phía ngoài thành Ngoại có nhiều đoạn lũy, ụ đất dựa
trên các đồi sót, thềm sót, đất cao được bố trí và sử dụng như những “công sự” phòng vệ.
Hào thành Trung
Nguồn: BQL KDT Cổ Loa
Cùng với các lớp thành hào kiên cố, thì vũ khí trang bị cho quân đội Âu Lạc có số lượng khổng lồ, chỉ tính lượng mũi tên đồng trong kho Cầu Vực
đã có trên 1 vạn chiếc. Trong và ngoài thành Cổ Loa còn có cả hệ thống các xưởng đúc vũ khí, sản xuất số lượng lớn
các loại vũ khí có chức năng khác nhau.
Nguồn: Lại Văn Tới
Cổ Loa – Thị thành
Hệ thống hào nước, ngoài việc cấp nước cho sinh hoạt, tưới tiêu cho nông nghiệp, đánh bắt thủy sản, mà còn
là tuyến đường giao thông, giao thương, buôn bán, trao đổi phồn thịnh giữa cư dân Cổ Loa với các vùng khác mà
tương truyền Đầm Cả - Vườn Thuyền, Ao Mắm - một “quân cảng” của Cổ Loa.
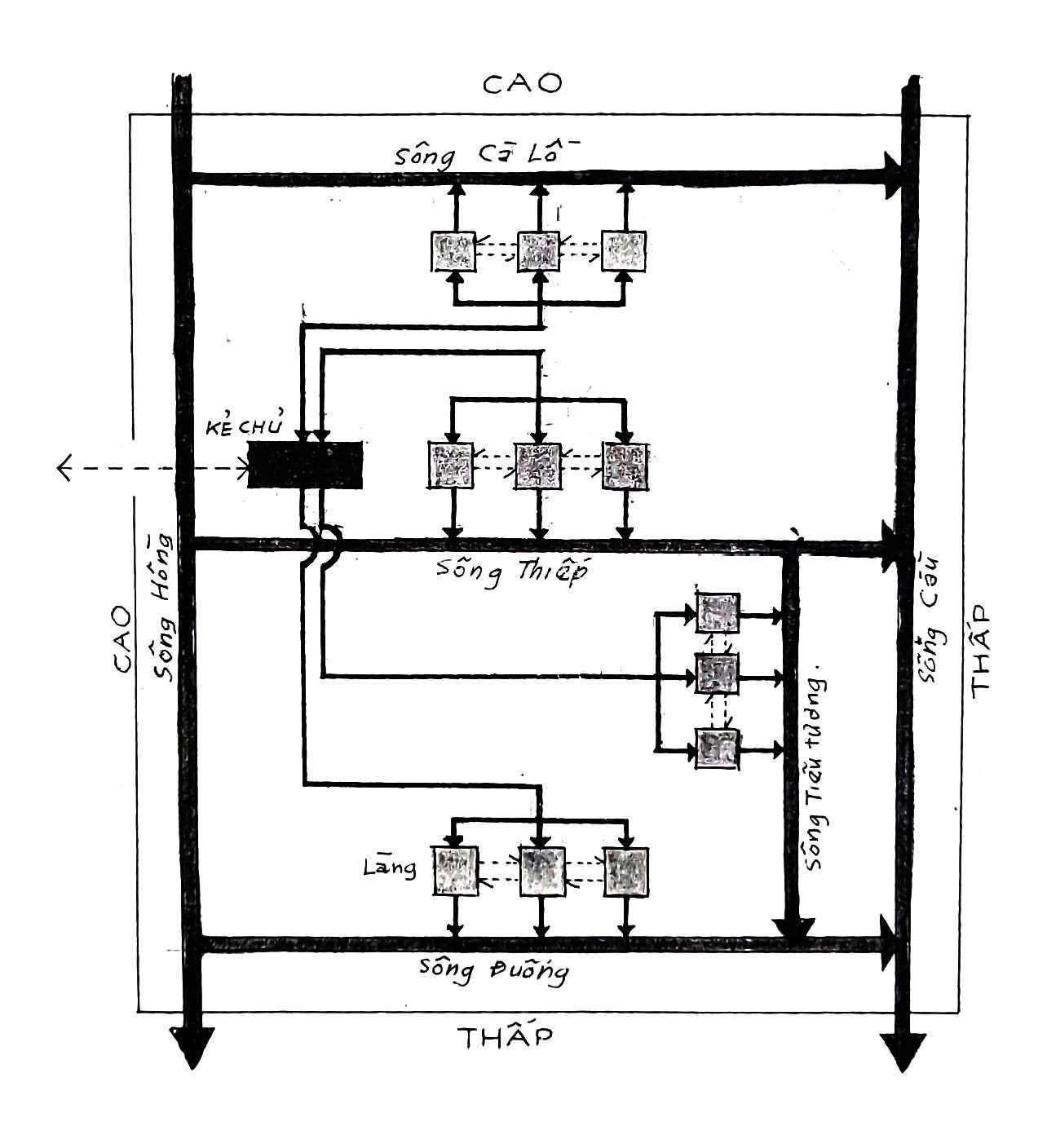
Sông Hoàng Giang (sông Thiếp) nối liền với mạng lưới tứ giác sông (sông Hồng, sông Đuống, sông Cà Lồ, sông Cầu) mở ra con đường giao lưu quốc tế giữa trung tâm Cổ Loa (Kẻ Chợ) với khu vực bên ngoài.
Đầm Cả
Nguồn: Lê Viết Dũng
Mạng lưới tứ giác nước
Nguồn: Vũ Hữu Minh, Khóa luận “Cổ Loa trung tâm của nhà nước Âu Lạc”, 1989.
Cổ Loa là trung tâm kinh tế với nền nông nghiệp phát triển mạnh mẽ, đã dùng lưỡi cày đồng, trâu bò làm sức kéo, cho năng xuất cao, cùng với nghề luyện kim và giao dịch.
Chợ Cổ Loa (chợ Sa) có từ thời An Dương Vương vẫn được duy trì đến ngày nay, là nơi trao đổi về hàng hóa, giao lưu văn hóa của cư dân Cổ Loa từ hàng ngàn năm nay.
Chợ quê Cổ Loa ngày nay
Nguồn: Nguyễn Tiến Dũng